Are you planning a kitchen renovation but unsure how to measure your space accurately? Using graph paper can be a simple and effective way to plan your new kitchen layout. By following a few easy steps, you can ensure that your measurements are precise and your renovation project runs smoothly.
Graph paper is a handy tool that can help you visualize the dimensions of your kitchen and determine the best placement for appliances, cabinets, and countertops. It’s easy to use and provides a scaled representation of your space, making it easier to plan your renovation.
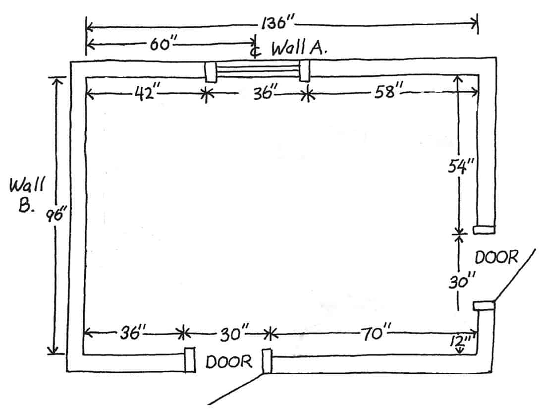
Measuring Kitchen With Graph Paper
Measuring Kitchen With Graph Paper
Start by measuring the length and width of your kitchen using a tape measure. Then, transfer these measurements to graph paper, using one square on the paper to represent a specific dimension, such as one foot or one inch. This will help you create an accurate floor plan of your kitchen.
Next, measure the location of doors, windows, and any other architectural features in your kitchen. Be sure to include these details on your graph paper floor plan, as they will impact the placement of your appliances and cabinets. This step will help you avoid any obstacles during the renovation process.
Once you have your floor plan completed, you can start experimenting with different layout options for your kitchen. Use graph paper to move around appliances and cabinets until you find the perfect configuration that maximizes space and functionality. This will help you visualize your new kitchen and make any necessary adjustments before starting the renovation.
In conclusion, measuring your kitchen with graph paper is a practical and efficient way to plan your renovation project. By taking accurate measurements and creating a detailed floor plan, you can ensure that your new kitchen layout meets your needs and preferences. So grab some graph paper and get started on designing your dream kitchen!
Measuring Test Trademark Kitchens
How To Measure Your Kitchen Norfolk Kitchen Bath


